Магазин запчастей Land Rover с доставкой по РФ

manager@lrover.ru +7 495 1362239 icon whatsapp mini Пн-Вс 9:00 - 21:00

Поиск по номеру запчасти

Свяжитесь с нами и мы ответим на интересующие Вас вопросы!!

или позвоните по номеру +7 (495) 136-22-39

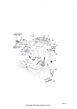
Коробка с предохранителями и реле RANGE ROVER CLASSIC 1986 - 1991 (To HA610293)